Podsumowanie produktu
| Pompa solarna serii RVE35 VFD | | |
| | WEJŚCIE DC/AC | |
| | Wyrafinowany projekt | |
| | MPPT | |
| Parametryczny | ||
| Modelka | RVE35-T3-90G ~ RVE35-T3-132G |
| Napięcie | Wejście 350 VDC do 800/900 VDC, 3 PH 380 VAC do 440 VAC wejście | |
| Wartość P (kW) | 90/110/132 | |
| Prąd znamionowy (A) | 170/210/250/300 | |
| MPPT Vmp/głos | 540/660 | |
| Wymiary (mm) | 845*305*358 | |
Tła aplikacji
| W ostatnich latach, wraz ze wzrostem nasilenia globalnego „problemu żywnościowego” i „problemu energetycznego”, słoneczne pompy wodne zostały stopniowo okrzyknięte skutecznym produktem integracji przemysłowej, rozwiązującym problem zwiększania wydajności efektywnej ziemi uprawnej i zastępowania energii kopalnej czystą energią. W rezultacie narodził się wyłaniający się model gospodarczy, w którym przemysł energii słonecznej rozwinął się w połączeniu z tradycyjnymi gałęziami przemysłu, takimi jak ochrona wody w rolnictwie, kontrola pustyń, zużycie wody w gospodarstwach domowych i miejski krajobraz wodny. |
Cechy produktu
• Śledzenie maksymalnego punktu mocy (MPPT) z szybką reakcją i stabilną pracą
• Zabezpieczenie przed pracą na sucho (pod obciążeniem).
• Zabezpieczenie maksymalnego prądu silnika
• Zabezpieczenie zasilania wejściowego
• Zabezpieczenie przed niską częstotliwością zatrzymania
• Krzywa wydajności PQ (moc/przepływ) umożliwia obliczenie wydajności przepływu pompy
• Cyfrowe sterowanie zapewniające w pełni automatyczną pracę, przechowywanie danych i funkcje ochronne
• Inteligentny moduł mocy (IPM) dla obwodu głównego
• Panel operacyjny z wyświetlaczem LED i obsługą pilota
• Dostępne jest wejście zasilania dwumodowego AC i DC
• Czujnik sondy niskiego poziomu wody i funkcja kontroli poziomu wody
• Temperatura otoczenia podczas stosowania: -10 do 50˚C.
| Wyrafinowany projekt Powierzchnia instalacji zmniejszona o 50% Objętość zmniejszona o 30% | |
| | W pełni automatyczna, trójodporna maszyna do powlekania farbą służy do zagęszczania warstwy ochronnej płytki drukowanej, skutecznie zapobiegając uszkodzeniom płytki drukowanej spowodowanym pyłem wiatru, żrącym gazem i wilgotnym powietrzem. |
| | Zastosuj w pełni automatyczny sprzęt wykrywający do testowania różnych wskaźników elektrycznych i funkcji ochronnych produktów pod obciążeniem znamionowym. |
| | Wszystkie gotowe produkty poddawane są starzeniu pod obciążeniem przez 48 godzin w wysokiej temperaturze 60 stopni, a następnie poddawane są testom wszystkich wskaźników elektrycznych pod obciążeniem, tak aby zmniejszyć awaryjność produktu. |
Nazewnictwo modeli
Ogólny typ serii S2:
Wejście Vmp 310VDC lub 220VAC, wyjście 1/3 fazy 0-220VAC
| Modelkaka | Prąd znamionowy (A) | Napięcie wyjściowe (VAC) | Dotyczy pompy o mocy (kW). | Zewnętrzny rozmiar dysku wys.*szer.*gł. (mm) | MPPT Vmp/wok |
| RVE35-S2-0R7G | 4 | 0-220 | 0.75 | 187*86*152 | 310/372 |
| RVE35-S2-1R5G | 7 | 0-220 | 1.5 | ||
| RVE35-S2-2R2G | 10 | 0-220 | 2.2 | ||
| RVE35-S2-3G | 13 | 0-220 | 3 | 265*105*164 | |
| RVE35-S2-4G | 16 | 0-220 | 4 |
Ogólny typ serii T3:
Wejście Vmp540 do 650 VDC lub 380 do 460 VAC, 3-fazowe wyjście 0-380/460 VAC
| Modelkaka | Prąd znamionowy (A) | Napięcie wyjściowe (VAC) | Dotyczy pompy o mocy (kW). | Zewnętrzny rozmiar dysku wys.*szer.*gł. (mm) | MPPT Vmp/wok |
| RVE35-T3-0R7GB | 2,5/3,7 | 0-380/440 | 0.75 | 187*86*152 | 540/660 |
| RVE35-T3-1R5GB | 3,7/5 | 0-380/440 | 1.5 | ||
| RVE35-T3-2R2GB | 5/10 | 0-380/440 | 2.2 | ||
| RVE35-T3-4GB | 10/13 | 0-380/440 | 4.0 | ||
| RVE35-T3-5R5GB | 13/16 | 0-380/440 | 5.5 | 265*105*164 | |
| RVE35-T3-7R5GB (obudowa z tworzywa sztucznego) | 16/25 | 0-380/440 | 7.5 | ||
| RVE35-T3-7R5GB (żelazna obudowa) | 16/25 | 0-380/440 | 7.5 | 333*150*216 | |
| RVE35-T3-11 GB | 25/32 | 0-380/440 | 11 | ||
| RVE35-T3-15 GB | 32/38 | 0-380/440 | 15 | ||
| RVE35-T3-18 GB | 38/45 | 0-380/440 | 18 | 383*180*228 | |
| RVE35-T3-22 GB | 45/60 | 0-380/440 | 22 | ||
| RVE35-T3-30 GB | 60/75 | 0-380/440 | 30 | 435*175*265 | |
| RVE35-T3-37 GB | 75/90 | 0-380/440 | 37 | ||
| RVE35-T3-45G | 90/110 | 0-380/440 | 45 | 670*265*358 | |
| RVE35-T3-55G | 110/150 | 0-380/440 | 55 | ||
| RVE35-T3-75G | 150/170 | 0-380/440 | 75 | ||
| RVE35-T3-90G | 170/210 | 0-380/440 | 90 | 845*305*358 | |
| RVE35-T3-110G | 210A/250 | 0-380/440 | 110 | ||
| RVE35-T3-132G | 250A/300 | 0-380/440 | 132 | ||
| RVE35-T3-160G | 300A/340 | 0-380/440 | 160 | 788*500*360 | |
| RVE35-T3-185G | 340/380 | 0-380/440 | 185 | ||
| RVE35-T3-200G | 380/415 | 0-380/440 | 200 | 900*540*358 | |
| RVE35-T3-220G | 415/470 | 0-380/440 | 220 | ||
| RVE35-T3-250G | 470/520 | 0-380/440 | 250 | ||
| RVE35-T3-280G | 520/600 | 0-380/440 | 280 | 1035*620*400 | |
| RVE35-T3-315G | 600/680 | 0-380/440 | 315 | ||
| RVE35-T3-355G | 680/750 | 0-380/440 | 355 | 1290*780*410 | |
| RVE35-T3-400G | 750/810 | 0-380/440 | 400 |
Doskonała wydajność
| | Wysokowydajne sterowanie wektorowe poprawiające dokładność sprzętu |
| Maksymalna częstotliwość wyjściowa przy sterowaniu wektorowym sięga 1500 Hz, co pozwala uzyskać bardzo precyzyjną prędkość wyjściową w 1-krotnym zakresie regulacji prędkości słabego pola magnetycznego. | |
| | |
| | Idealny napęd do silników synchronicznych |
| Przebieg prądu silnika synchronicznego w trybie sterowania wektorowego w otwartej pętli przy 500 Hz przy 100% obciążeniu znamionowym. | |
| | |
| | Niezawodna konstrukcja odprowadzania ciepła |
| Niezależna technologia projektowania podwójnych kanałów powietrznych umożliwia wykorzystanie napędu pompy słonecznej przy temperaturze pierścienia 50 ℃ bez zmniejszania wydajności. |
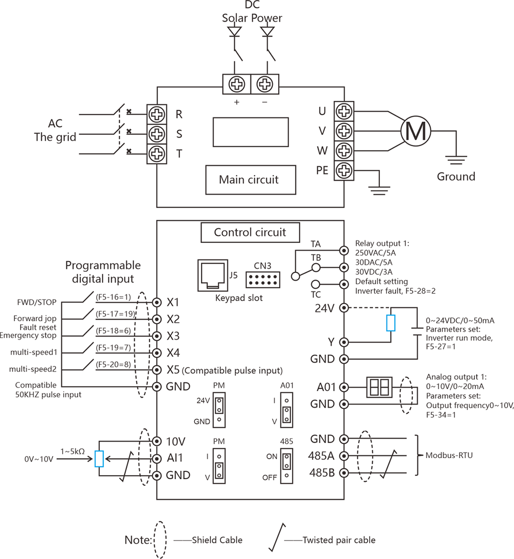
Schemat okablowania
W przypadku produktów RVE35 0,75 kW–7,5 kW należy zwrócić uwagę na następujące kwestie:
1. Produkt nie zawiera logicznych zacisków wejściowych X6 i X7;
2. Produkt zawiera tylko 1 wejście analogowe, 1 wyjście analogowe i 1 wyjście przekaźnikowe










































